19+ Generac Wiring Diagram


Diesel Generator Control Panel Wiring Diagram Tutorial Diesel Generators Refrigeration And Air Conditioning Schematic Drawing


Generac Xg8000 0057473 Generac Portable Generator Sn 7838868 10033218 2015 Wiring Diagram Parts Lookup With Diagrams Partstree


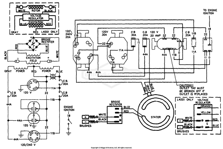
8911 2 Briggs And Stratton Portable Generator L4001 4 000 Watt Parts And Accessories At Partswarehouse


How Connect Wiring Contol From Generator Generac 22kw To Ats Tb2 Ats N1 Generator N1 N2 N2 T1 T1 These Wires In The


Wiring Diagram 17 Kw Home Standby Group G Part 7 Generac Power Systems 8 Kw Lp User Manual Page 178 192


Generac Qt03624gnan Generac 36kw Home Standby Generator Sn 5405953 5447064 2009 Wiring Diagram 0h1273 Parts Lookup With Diagrams Partstree


File Wiring Diagram Of Automatic Transfer Switch For Dummies Jpg Wikimedia Commons


Generator Connection One Line Diagrams Berthold Electric


C Option Control Panel Operator S Manual Generac Pdf


Generac 9103 0 Generac 8 000 Watt Portable Generator Wiring Diagram Schematic 10 95 Parts Lookup With Diagrams Partstree


Generac 9885 2 Generac Xl 5 500 Watt Portable Generator Wiring Diagram Parts Lookup With Diagrams Partstree


Generac Power Systems Find My Manual Parts List And Product Support


Generac 0059821 Parts Diagram For Wiring Schematic


Generac Qt04524knsn Generac 45kw Home Standby Generator Sn 5667080 5874481 2010 Wiring Diagram Of6839 Parts Lookup With Diagrams Partstree


Generac 7109 Two Wire Start Kit


Generac Rtg12eza1 Generac Power Transfer Switch Sn 8667606 9587632 2015 Wiring Diagram 0h6453 Parts Lookup With Diagrams Partstree


Generac 0059435 Parts Diagram For Wiring Diagram


Generac 4w113a 9163 0 Generac 8 000 Watt Portable Generator Wiring Diagram And Electrical Data Parts Lookup With Diagrams Partstree

Iklan Atas Artikel

Iklan Tengah Artikel 1

Iklan Tengah Artikel 2

Iklan Bawah Artikel